

- Úvod
- Vjezdové brány a vrata
- Křídlové brány
- Panty
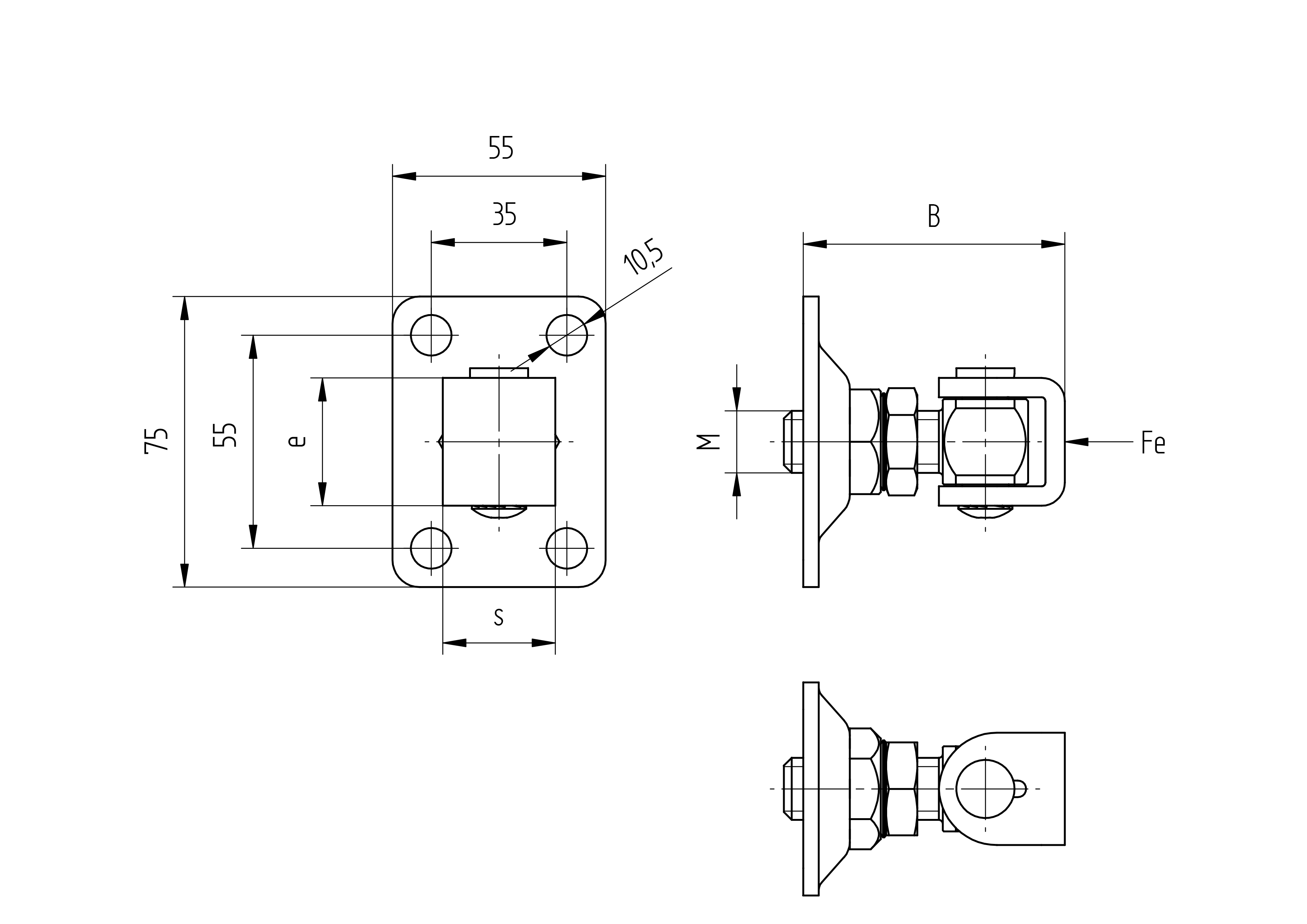
- Stavitelný pant M12 s plotnou 55x75 mm
Stavitelný pant M12 s plotnou 55x75 mm

Oficiální distributor Hörmann a SomfyJsme OFICIÁLNÍ prodejci produktů zn. HÖRMAN a Somfy
SHOWROOM stínící a vratové technikyNavštivte nás a vyberte si osobně nabízený sortiment (po předchozí domluvě)
Česká kvalitní STÍNÍCÍ TECHNIKAŽaluzie, rolety, plissé, předokenní rolety a žaluzie, sítě do oken a dveří.
10+ let zkušeností v oboruNabízíme realizaci na klíč od zaměření přes dodání až po odbornou montáž- Kompletní specifikace
- Hodnocení 0
Stavitelný pant M12 s plotnou 55x75 mmSkladem 13 ks70 Kč/ ks58 Kč bez DPH
Stavitelný pant M12 s plotnou 55x75 mm, ideální řešení pro každého, kdo hledá kvalitní a přitom jednoduchý způsob, jak zavěsit brány a branky. Tento pant je navržen s ohledem na snadnou instalaci a dlouhodobou odolnost.
Klíčové vlastnosti stavitelného pantu s plotnou:
- Snadná Montáž: Pant je vybaven plotnou určenou pro přišroubování na zeď nebo sloupek, což výrazně zjednodušuje instalaci. Nejsou nutné žádné složité svářečské práce, stačí pouze přišroubovat pant na požadované místo.
- Vysoká Flexibilita: Díky své konstrukci je pant stavitelný, což znamená, že můžete snadno nastavit pozici brány nebo branky pro perfektní uzavírání.
- Pevná Konstrukce: Součástí pantu je varné pouzdro, které můžete přivařit nebo přišroubovat na rám brány či branky, což zajistí vysokou stabilitu a bezpečnost vaší brány.
- Odolnost proti Korozi: Povrchová úprava galvanickým zinkem chrání pant před nepříznivými povětrnostními vlivy a zabraňuje korozi, což zajišťuje, že váš pant zůstane funkční a esteticky přijatelný po mnoho let.
Tento stavitelný pant je ideální pro domácí kutily i profesionály, kteří hledají spolehlivé a cenově dostupné řešení. S tímto pantem získáte jistotu, že vaše brána bude fungovat hladce a bezpečně, ať už jde o novou instalaci nebo výměnu starého kování.

Materiál: Ocel








.png)


